Запчасти для мотоцикла BMW R 1200 CL (0442,0496) K30

7 последних символов VIN:

Серия: K30

Марка: R 1200 CL (0442,0496)

Регион: Европа

Дата выпуска: 00 / 0000

Информации по объёмам заливки жидкостей для мотоциклов не предусмотрена.

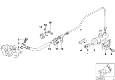
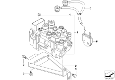
Тормозные механизмы

Основные разделы → Тормозные механизмы

Подразделы

Запчасти