Запчасти для мотоцикла BMW K 1200 LT 04 (0549,0559) 89V3

7 последних символов VIN:

Серия: 89V3

Марка: K 1200 LT 04 (0549,0559)

Регион: США

Дата выпуска: 00 / 0000

Информации по объёмам заливки жидкостей для мотоциклов не предусмотрена.

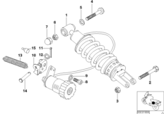
ЗО,привод кол.Зд,сист.напр.подвеск.колЗд

Основные разделы → ЗО,привод кол.Зд,сист.напр.подвеск.колЗд

Подразделы

Запчасти