Запчасти для мотоцикла BMW K 1200 LT 99 (0545,0555) 89V3

7 последних символов VIN:

Серия: 89V3

Марка: K 1200 LT 99 (0545,0555)

Регион: Европа

Дата выпуска: 00 / 0000

Информации по объёмам заливки жидкостей для мотоциклов не предусмотрена.

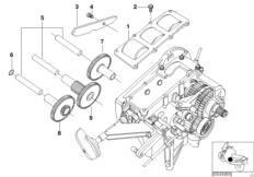
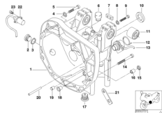
МКПП

Подразделы

Запчасти