Запчасти для мотоцикла BMW F 650 94 (0161) E169

7 последних символов VIN:

Серия: E169

Марка: F 650 94 (0161)

Регион: Европа

Дата выпуска: 00 / 0000

Информации по объёмам заливки жидкостей для мотоциклов не предусмотрена.

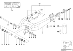
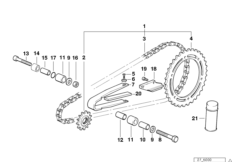
ЗО,привод кол.Зд,сист.напр.подвеск.колЗд

Основные разделы → ЗО,привод кол.Зд,сист.напр.подвеск.колЗд

Подразделы

Запчасти