Запчасти для мотоцикла BMW K 75 S (0563,0572) K569

7 последних символов VIN:

Серия: K569

Марка: K 75 S (0563,0572)

Регион: Европа

Дата выпуска: 00 / 0000

Информации по объёмам заливки жидкостей для мотоциклов не предусмотрена.

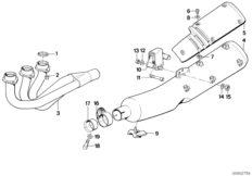
Система выпуска ОГ

Основные разделы → Система выпуска ОГ

Подразделы

Запчасти