Запчасти для мотоцикла BMW R75/6 2476

7 последних символов VIN:

Серия: 2476

Марка: R75/6

Регион: Европа

Дата выпуска: 00 / 0000

Информации по объёмам заливки жидкостей для мотоциклов не предусмотрена.

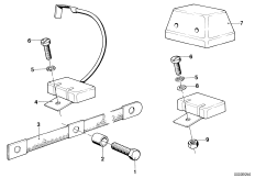
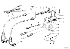
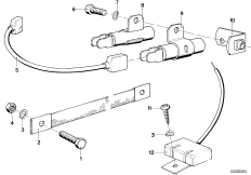
Аудиосист.,сист.навиг, информ.система

Основные разделы → Аудиосист.,сист.навиг, информ.система

Подразделы

Запчасти