Главная
О нас
Доставка
Контакты
Каталог мотозапчастей BMW
Каталог мотозапчастей KTM
Сервис
Запчасти: +7 (906) 055-75-50
Сервис: +7 (906) 755-75-56
+7 (906) 755-75-59
Каталог мотозапчастей BMW
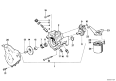
Контактное уплотнительное кольцо
11411741870
Применяемость
→
Серия (K589)
Применяемость детали в узлах:
Водяная помпа/масляный насос/масл.фильтр
Водяная помпа/масляный насос/масл.фильтр