Главная
О нас
Доставка
Контакты
Каталог мотозапчастей BMW
Каталог мотозапчастей KTM
Сервис
Запчасти: +7 (906) 055-75-50
Сервис: +7 (906) 755-75-56
+7 (906) 755-75-59
Каталог мотозапчастей BMW
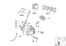
Винт для удаления воздуха
34211236793
Применяемость
→
Серия (K589)
Применяемость детали в узлах:
Тормозной механизм переднего колеса
Тормозной механизм передн.колеса при ABS
Дисковый тормозной механизм Зд
Тормозной механизм заднего колеса с ABS