Главная
О нас
Доставка
Контакты
Каталог мотозапчастей BMW
Каталог мотозапчастей KTM
Сервис
Запчасти: +7 (906) 055-75-50
Сервис: +7 (906) 755-75-56
+7 (906) 755-75-59
Каталог мотозапчастей BMW
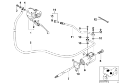
Пустотелый винт, черный
34322331540
Применяемость
→
Серия (259S)
Применяемость детали в узлах:
Привод управления сцеплением
Тормозной трубопровод Пд без ABS
Трубопровод тормозного привода c ABS Пд
Главный тормозной цилиндр Зд
Трубопр.торм.сист.Integral ABS Пд
Трубопровод торм.сист.Integral ABS Зд