Главная
О нас
Доставка
Контакты
Каталог мотозапчастей BMW
Каталог мотозапчастей KTM
Сервис
Запчасти: +7 (906) 055-75-50
Сервис: +7 (906) 755-75-56
+7 (906) 755-75-59
Каталог мотозапчастей BMW
Переводная картинка серебр.
51142310935
Применяемость
→
Серия (89V2)
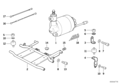
Применяемость детали в узлах:
Модулятор давления ABS I